AiP4580 및 AiP4558 듀얼 채널 연산 증폭기
AiP4580
1. 일반 설명
AiP4580은 고속, 고정밀 듀얼 채널 연산 증폭기입니다.
이 제품은 낮은 오프셋 전압, 낮은 잡음, 높은 단위 이득 대역폭, 큰 출력 전류 및 낮은 왜곡을 특징으로 합니다. 주로 오디오 프리앰프, 능동 필터, 산업 측정 및 계측 장비와 같은 다양한 선형 증폭 용도에 사용됩니다.
2. 특징
● 작동 전압(±2V~±18V)
● 낮은 입력 잡음 전압 (0.8μVrms typ., RIAA, 30KHzLPF)
● 낮은 오프셋 전압(일반 0.5mV, 최대 3mV)
● 넓은 GBW 대역폭 15MHz (일반)
● 낮은 왜곡률 (일반적으로 0.0005%)
● 슬루율 5V/μs (일반값)
● 포장 형태: SOP8/DIP8/MSOP8/SIP8
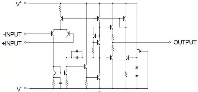
3. 블록 다이어그램

4. 핀 설명

AiP4558
1. 일반 설명
AiP4558은 두 개의 독립적인 고이득 및 내부 주파수 보상 기능을 갖춘 범용 연산 증폭기를 제공합니다. 넓은 전압 범위에서 단일 전원 공급 장치 또는 이중 전원 공급 장치로 동작할 수 있습니다. 주로 전압 팔로워, DC 이득 부품, 산업 제어 장치 및 모든 일반적인 연산 증폭기에 사용됩니다.
2. 특징
1
● 넓은 공통 모드 및 차동 전압 범위(±2V~±18V)
● 낮은 오프셋 전압(일반 0.5mV, 최대 6mV)
● 단위 이득 대역폭: 3MHz (일반적)
● 낮은 입력 잡음 전압: 8 nV/√Hz, 1kHz(일반값)
● 슬루율: 1.7V/μS(일반적)
● 패키지 정보: SOP8/DIP8/SIP8/SOP8(W)
3. 블록 다이어그램

4. 핀 설명

메시지를 남겨주세요